CB-FA(FC)高压齿轮泵简介:
CB-FA(FC)型高压齿轮泵采用高强度铸件,径向密封采用齿顶扫膛,轴向密封采用浮动压力平衡侧板,因而达到高效率。该泵具有体积小,重量轻、性能好,工作可靠等特点。广泛应用于工程机械、矿山机械、起重运输机械、建筑机械、石油机械、农业机械等机械设备中。
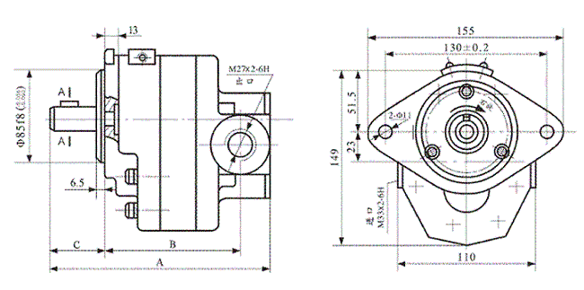
CB-FA(FC)高压齿轮泵外形图:


CB-FA(FC)高压齿轮泵型号说明:

CB-FA(FC)高压齿轮泵技术参数、规格:
型号 | 理论排量 | 压力Pa | 转速min | 容积效率 | 总效率 | 驱动功率 | 尺寸 | ||||||
额定 | Z高 | 额定 | Z高 | Z低 | A | B | c | d | |||||
CB-FA10 | 11.27 | 14 | 17.5 | 1800 | 2400 | 600 | ≤90 | ≤81 | 5.2 | 164 | 94 | 45 | 20 |
CB-FA18 | 18.32 | 8.4 | 169 | 99 | |||||||||
CB-FA25 | 25.36 | 11.6 | 174 | 104 | |||||||||
CB-FA32 | 32.41 | 14.8 | 179 | 109 | |||||||||
CB-FA40 | 39.45 | 18.1 | 184 | 114 | |||||||||
CB-Fc10 | 10.44 | 16 | 20 | 2000 | 2500 | 600 | ≤90 | ≤81 | 6.4 | 170 | 99 | ||
CB-Fc16 | 16.01 | 9.9 | 174 | 103 | |||||||||
CB-Fc20 | 20.19 | ≤91 | ≤81 | 12.4 | 177 | 106 | |||||||
CB-Fc25 | 25.06 | 15.36 | 180 | 109 | |||||||||
CB-Fc31.5 | 32.02 | 19.6 | 185 | 114 | |||||||||
CB-Fc40 | 40 | 24.8 | 191 | 120 | |||||||||
CB-Fc50 | 50 | 31 | 203 | 121.5 | 52.5 | 25 | |||||||



客服