产品名称:CBW-B齿轮泵
产品相关关键词:CBW齿轮泵、CBW齿轮油泵、CBW润滑泵
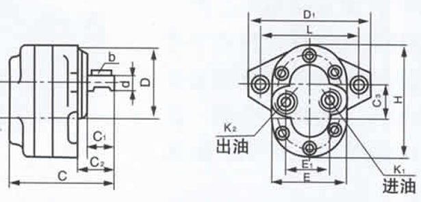
CBW-B齿轮泵具有结构紧凑,安装方便,能插入机械设备的某个传动部件或电机主轴内.具有同轴度好、摩擦系数小、运转平稳。CBW高压泵广泛用于机床、工程机械、减速机等行业。
CBW-B齿轮泵外形图:

CBW-B齿轮泵技术参数、规格:

产品名称:CBW-B齿轮泵
产品相关关键词:CBW齿轮泵、CBW齿轮油泵、CBW润滑泵
CBW-B齿轮泵具有结构紧凑,安装方便,能插入机械设备的某个传动部件或电机主轴内.具有同轴度好、摩擦系数小、运转平稳。CBW高压泵广泛用于机床、工程机械、减速机等行业。
CBW-B齿轮泵外形图:

CBW-B齿轮泵技术参数、规格:


泰兴市液压元件厂创建于1982年,公司坐落于历史文化明镇黄桥镇刘陈工业园区,占地面积2万余平方米。
主要产品分三大类:
1.液压元件高、中、低压齿轮油泵
2.各式滚柱式逆止器,非接触式逆止器
3.各类全液压式转向器,组合阀块,分流阀,优先阀。三十年来,本公司始终以高标准,严要求,使产品质量保持在同行领先地位,公司产品一直与各大机床,液压机械,减速机械,工程机械配套使用,深得广大用户好评。
公司主要产品主要有:
齿轮油泵,RHB润滑摆线齿轮油泵,BB-B型摆线齿轮油泵,CB-FA型中高压齿轮油泵,CB-B(CB2-B)型多功能齿,CB-B600~1000,CB-B600~1000,CB-B160~500,BB-BY型摆线齿轮油泵,DDB型多点干油泵,CM-FA/FC型高压齿轮油泵,齿轮油,润滑油泵,SXF双向润滑油泵,SNBY型双向润滑泵,R12-1型润滑油泵,SGZ手动润滑泵,其他油泵,CB-B型不锈钢泵,电机组,BB-B型摆线齿轮油泵电机组,CB-B型低压齿轮油泵电机组,CB型系列齿轮油泵电机装置,指示器,YZQ型油流指示器,GZQ型给油指示器,叶片泵,YB1型定量双联叶片泵,YB1型定量单联叶片泵,升降平台,SJY型移动式液压升降平台,SLY型双剪叉升降平台,手动叉车,CBY-手动液压搬运车,CBY-手动液压搬运车,CQY折叠式液压装卸车,CTY 0.5,CTY2,CTY1,CTY0.5,COY圆桶搬运车,COT 圆桶装卸车产品结构完善,型号齐全,品质优良,市场面宽泛。主营产品精工设计,具性能稳定,效率高,安全可靠等优点。