HY01系列齿轮泵
一、功能简介
HY01(CBJ)齿轮泵是CB-B型齿轮泵的上一代产品,由于其性能稳定,同心度好,其结构的特殊性,一直以来还广泛采用,如平面磨床、滤油机等。
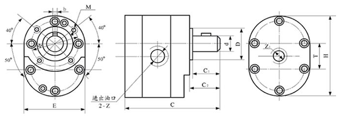
二、外形及安装尺寸

三、技术参数

四、技术规格

本齿轮油泵HY01、CBJ是CB-B齿轮油泵的上一代产品,其特点具有稳定的流量,足够的压力,同心度好,在轻微的污油中工作不影响质量,长期以来被广泛应用于机械液压系统,是备受欢迎的产品。
HY01系列齿轮泵
一、功能简介
HY01(CBJ)齿轮泵是CB-B型齿轮泵的上一代产品,由于其性能稳定,同心度好,其结构的特殊性,一直以来还广泛采用,如平面磨床、滤油机等。
二、外形及安装尺寸

三、技术参数

四、技术规格

本齿轮油泵HY01、CBJ是CB-B齿轮油泵的上一代产品,其特点具有稳定的流量,足够的压力,同心度好,在轻微的污油中工作不影响质量,长期以来被广泛应用于机械液压系统,是备受欢迎的产品。

泰兴市液压元件厂创建于1982年,公司坐落于历史文化明镇黄桥镇刘陈工业园区,占地面积2万余平方米。
主要产品分三大类:
1.液压元件高、中、低压齿轮油泵
2.各式滚柱式逆止器,非接触式逆止器
3.各类全液压式转向器,组合阀块,分流阀,优先阀。三十年来,本公司始终以高标准,严要求,使产品质量保持在同行领先地位,公司产品一直与各大机床,液压机械,减速机械,工程机械配套使用,深得广大用户好评。
公司主要产品主要有:
齿轮油泵,RHB润滑摆线齿轮油泵,BB-B型摆线齿轮油泵,CB-FA型中高压齿轮油泵,CB-B(CB2-B)型多功能齿,CB-B600~1000,CB-B600~1000,CB-B160~500,BB-BY型摆线齿轮油泵,DDB型多点干油泵,CM-FA/FC型高压齿轮油泵,齿轮油,润滑油泵,SXF双向润滑油泵,SNBY型双向润滑泵,R12-1型润滑油泵,SGZ手动润滑泵,其他油泵,CB-B型不锈钢泵,电机组,BB-B型摆线齿轮油泵电机组,CB-B型低压齿轮油泵电机组,CB型系列齿轮油泵电机装置,指示器,YZQ型油流指示器,GZQ型给油指示器,叶片泵,YB1型定量双联叶片泵,YB1型定量单联叶片泵,升降平台,SJY型移动式液压升降平台,SLY型双剪叉升降平台,手动叉车,CBY-手动液压搬运车,CBY-手动液压搬运车,CQY折叠式液压装卸车,CTY 0.5,CTY2,CTY1,CTY0.5,COY圆桶搬运车,COT 圆桶装卸车产品结构完善,型号齐全,品质优良,市场面宽泛。主营产品精工设计,具性能稳定,效率高,安全可靠等优点。