GLC系列列管式冷却器
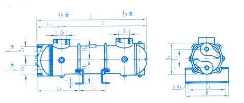
GLC型列管式油冷却器换热结构分翅片管式和裸管式,安装方式有立式(L)和卧式,主要型号有GLC1-0.4 、GLC1-0.6 、GLC1-0.8 、GLC1-1 、GLC1-1.2 、GLC2-1.3 、GLC2-1.7 、GLC2-2.1 、GLC2-2.6 、GLC2-3 、GLC2-3.5 、GLC3-4 、GLC3-5 、GLC3-6 、GLC3-7 、GLC3-8 、GLC3-9 、GLC3-10 、GLC3-11 、GLC4-13 、GLC4-15 、GLC4-17 、GLC4-19 、GLC4-21 、GLC4-23 、GLC4-25 、GLC4-27 、GLC5-30 、GLC5-34 、GLC5-37 、GLC5-41 、GLC5-44 、GLC5-48 、GLC5-51 、GLC5-54 、GLC6-55 、GLC6-60 、GLC6-65 、GLC6-70 、GLC6-75 、GLC6-80 、GLC6-85 、GLC6-90GLC型列管式油冷却器。



客服