一、功能介绍:
YZQ型油流指示器
本成品适用于稀油润滑系统,它的主要作用观察供油情况及油的流向。适用介质为N22-N46。
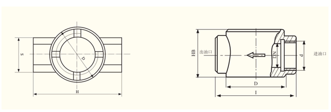
YZQ型油流指标器(JB/ZQ4582-86)技术参数、规格
型号 公称通径DN 公称压力MPa d D B S H
YZQ-10 10 0.63 G3/8" 65 58 35 90
YZQ-15 15 G1/2" 65 58 35 90
YZQ-20 20 G3/4" 80 60 52 120
YZQ-25 25
YZQ型油流指示器
材质 铸铁 原理 齿轮泵
用途 增压泵 性能 防爆
驱动方式 电动 泵轴位置 卧式
叶轮数目 单级 流量 15(m3/h)
转速 1450 排出压力 2.5(Mpa)
效率 88(%) 必需汽蚀余量 0(m)
适用范围 广泛适用于汽车、工程机械、矿山机械、轻工机械、农业机械等液压系统中
YZQ型油
YZQ型油流指标器(JB/ZQ4582-86)简介
本产品适用于稀油润滑系统,它的主要作用是观察供油情况及油的流向,适用介质粘度N22-N460
YZQ型油流指标器(JB/ZQ4582-86)外形图:




客服