欢迎光临(泰兴市液压元件厂)销售官网!
专注研发生产泰兴市液压元件厂
全国咨询热线:18796783056
联系我们
泰兴市液压元件厂
联系人:周经理
手机:18796783056
电话:0523-87897356
邮箱:1923499081@qq.com
地址 :江苏省泰兴市刘陈镇工业园区泰兴市液压元件厂

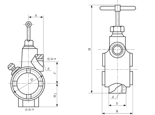
GZQ给油指示器

GZQ型给油指示器技术参数及外形尺寸:

QQ浏览器截图20220413232646.png


GZQ型给油指示器简介:

GZQ型给油指示器可称:GZQ型给油观察器或GZQ型给油视镜。GZQ型给油指示器是控制观察管道内介质流动情况的必要附件。能随时控制观察油介质的流动大小情况,是保障正常生产不可缺少的附件,其连接方式为螺纹式。

GZQ型给油指示器应用:

GZQ型给油指示器广泛用于管道稀油润滑系统、供燃料系统、化工、化纤、医药、食品、电站、泵设备等工业生产装置中。

GZQ型给油指示器型号名称:

GZQ-10给油指示器, GZQ-15给油指示器, GZQ-20给油指示器, GZQ-25给油指示器

QQ浏览器截图20220413232725.png


标签:
泰兴市液压元件厂 · 关于我们深耕行业十余载,液压元件专业生产厂家
关于我们

泰兴市液压元件厂创建于1982年,公司坐落于历史文化明镇黄桥镇刘陈工业园区,占地面积2万余平方米。

主要产品分三大类:

1.液压元件高、中、低压齿轮油泵 

2.各式滚柱式逆止器,非接触式逆止器

3.各类全液压式转向器,组合阀块,分流阀,优先阀。三十年来,本公司始终以高标准,严要求,使产品质量保持在同行领先地位,公司产品一直与各大机床,液压机械,减速机械,工程机械配套使用,深得广大用户好评。

公司主要产品主要有:

齿轮油泵,RHB润滑摆线齿轮油泵,BB-B型摆线齿轮油泵,CB-FA型中高压齿轮油泵,CB-B(CB2-B)型多功能齿,CB-B600~1000,CB-B600~1000,CB-B160~500,BB-BY型摆线齿轮油泵,DDB型多点干油泵,CM-FA/FC型高压齿轮油泵,齿轮油,润滑油泵,SXF双向润滑油泵,SNBY型双向润滑泵,R12-1型润滑油泵,SGZ手动润滑泵,其他油泵,CB-B型不锈钢泵,电机组,BB-B型摆线齿轮油泵电机组,CB-B型低压齿轮油泵电机组,CB型系列齿轮油泵电机装置,指示器,YZQ型油流指示器,GZQ型给油指示器,叶片泵,YB1型定量双联叶片泵,YB1型定量单联叶片泵,升降平台,SJY型移动式液压升降平台,SLY型双剪叉升降平台,手动叉车,CBY-手动液压搬运车,CBY-手动液压搬运车,CQY折叠式液压装卸车,CTY 0.5,CTY2,CTY1,CTY0.5,COY圆桶搬运车,COT 圆桶装卸车产品结构完善,型号齐全,品质优良,市场面宽泛。主营产品精工设计,具性能稳定,效率高,安全可靠等优点。


在线客服
联系方式

热线电话

18796783056

上班时间

周一到周五

公司电话

0523-87897356

二维码
线